1
/
of
2
My Store
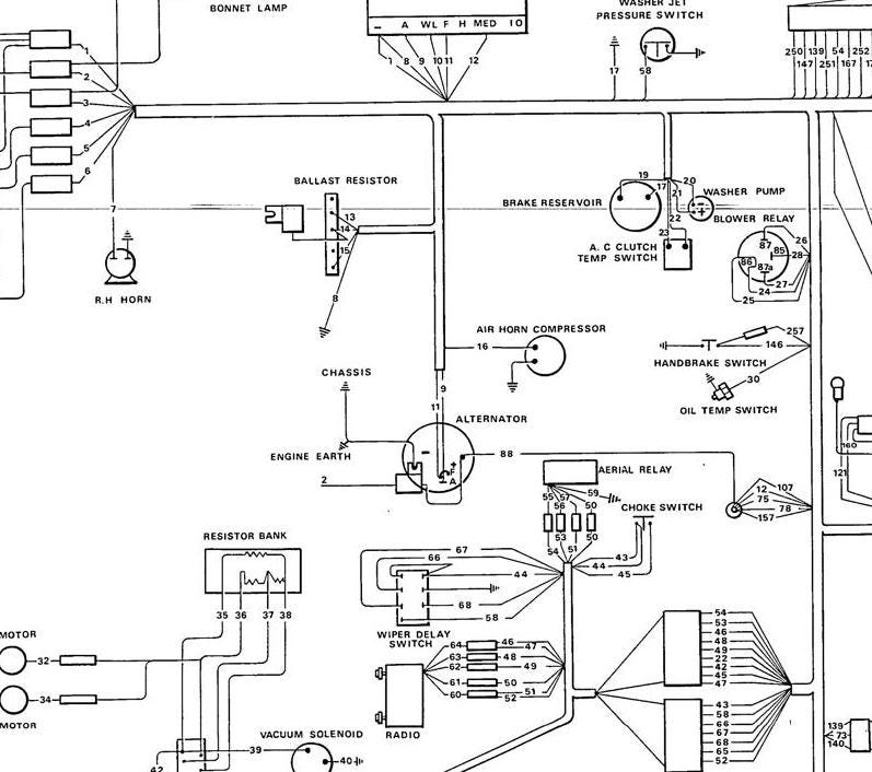
Aston Martin 1979 V8 Cars -Wiring Circuit Diagram
Aston Martin 1979 V8 Cars -Wiring Circuit Diagram
Regular price
£14.99
Regular price
Sale price
£14.99
Taxes included.
Quantity
Couldn't load pickup availability
ASTON MARTIN 1979
V8 CARS
WIRING DIAGRAM
Share
