1
/
of
4
My Store
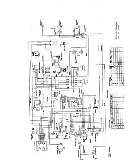
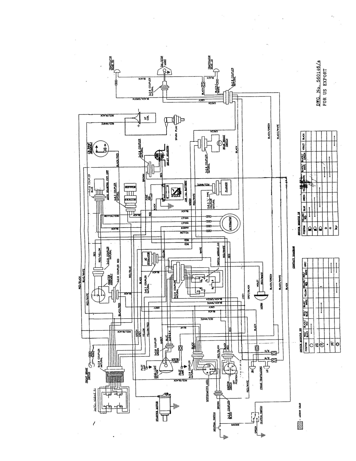
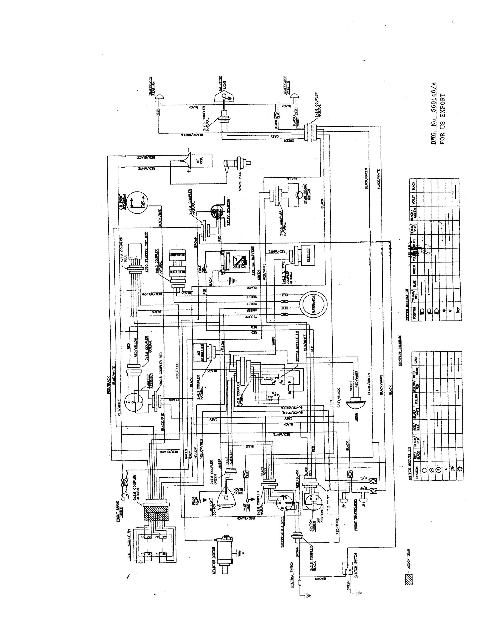
1989 - 2007 Royal Enfield 350 & 500 Bullet Workshop Maintenance Service Repair Manual
1989 - 2007 Royal Enfield 350 & 500 Bullet Workshop Maintenance Service Repair Manual
Regular price
£7.99
Regular price
Sale price
£7.99
Taxes included.
Quantity
Couldn't load pickup availability
1989 - 2007
Royal Enfield
350 & 500 Bullet
Workshop
Maintenance
Service
Repair Manual
Share
